




Corn oil production process refers to the process of obtaining corn oil from corn germ. If your raw material is corn, you need to extract the corn germ from the corn first, and then proceed to corn oil production.
Corn oil production process refers to the process of obtaining corn oil from corn germ. If your raw material is corn, you need to extract the corn germ from the corn first, and then proceed to corn oil production.

There are two common corn oil production processes: one is the pressing method, which is suitable for small and medium-sized corn oil production plants; The second is solvent extraction method, which is suitable for large corn oil production plants.
According to the production of different pressing methods can be divided into two ways. The first is to use a steaming pan and an all-in-one machine for simple pressing, which is suitable for small corn oil production plants with a output of 1-10 tons/day. This way is cost-effective and the investment cost is low. The second is the use of pre-press and press for secondary pressing. If your production is more than 10 tons/day, it is recommended to choose this corn oil production process, which can reduce fat loss. The residual oil in the cake after pressing is about 6% to 7%, which is a large loss for the corn oil production plant, and the solvent extraction method needs to be used. After solvent leaching, the residual oil in the cake was less than 1%.
Before solvent extraction, the corn germ needs to be processed. The corn germ pretreatment equipment was used to adjust the internal structure of corn germ to the state suitable for solvent extraction and improve the effect. solvent extraction refers to the process of contacting the treated corn germ cake with the solvent, making the solvent dissolve with the corn oil in the cake, and then obtaining the corn oil through the miscella treatment system. After leaching, we get the crude corn oil, which contains some trace impurities, which is not conducive to the consumption and preservation of corn oil. It is necessary to further refine the crude corn oil to remove the impurities in the crude corn oil. The ingredients of refined corn oil meet national standards and can be sold in the market.
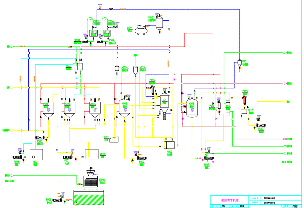
1) Corn germ refining process drawings

Process2) drawing of corn germ heat transfer oil furnace

Corn germ pressing process diagram

If you need our products please write down any questions, we will reply as soon as possible.